Univerzális Rezonáns Tápegység
Rezonáns kapcsolóüzemû tápegység V.
Az alábbi cikkben egy újabb rezonáns tápegységrõl fogok írni, ami egy kicsit komolyabb,
és bonyolultabb felépítésû mint az eddigiek. Ugyanakkor kimondottan univerzális, minimális
módosítással nagyon sokféle célra felhasználható, de a bonyolultsága ellnére könnyen
reprodukálható ill. utánépíthetõ. Természetesen azért a kellõ szakértelemre, mûszerezettségre,
érintésvédelnmi ismeretekre, és a mûködés megértésére szükség van. Terhelhetõség szempontjából
is sokféle verzió építhetõ, szinte csak a felhasznált alékatrész készleten múlik a dolog.
Az említett tápegységet kb. 2 éve (2016-ban) építettem, mindössze kb.100V 2A terhelésre.
3db sorbakötött 100W-os powerledet hajt meg, áramgenerátoros üzemmódban. Azonban az áramkör
sokkal nagyobb teljesítményre is alkalmas lehet, ez csak méretezés kérdése, amire a mûködés
leírása mellett ki fogik térni. Nézzük elõször a tápegység kapcsolási rajzát:

Az áramkör az IR21531 integrált áramkörre épül, ez egy elég régi, és manapság olcsón beszerezhetõ
céláramkör, amit a gyári ajánlástól kicsit eltérõen (kihozva belõle a maximumot) használok fel.
Ez az IC alaphelyzetben fix frekvencián mûködik, amit az RT(2) és CT(3) lábára kapcsolt R-C tag
határozna meg. At RT helyéra azonban egy több alkatrészbõl álló komplexum csatlakozik néhány ellenállás,
egy gyors schottky-graetz, és egy optocsatoló. Ezzel a megoldással, az optocsatoló segítségével
szabályozni lehet az üzemi frekvenciát. A minimum frekvenciát (amikor az optocsatoló nem vezet)
R6+R8 határozza meg, a maximális frekcvenciát pedig R12,R6,R8 eredõ ellenállása. A két frekvencia érték
között pedig az optocsatoló ledjén átfolyó árammal folyamatosan változtatható a frekvencia.
Ez felhasználható a tápegység szabályozására, jelen áramkörben a kimenõ áramot korlátozza, áramgenerátor
szerûen. Ezt lehet használni a tápegység túlterhelés elleni védelmére - pl. a maximális üzemi
áramnál elkezdi növelni a frekvenciát, és ezzel korlátozza az áramot - tehát áramhatárolós lesz a tápegység,
de akár üzemszerûen is mûködhet ebben az állapotban mint áramgenerátor, pl. ledmeghajtóként.
Mindez csak méretezés kérdése - erre késõbb még kitérek. A másik eltérés az IC adatlap szerinti
gyári alkalmazásától, hogy nem közvetlenül hajtja meg a kapcsoló FET-eket, hanem ki van egészítve
további 4 tranzisztorral (Q3,Q4,Q5,Q6). Ennek kettõs célja van, egyrészt a tranzisztorok sokkal nagyobb árammal
tudják a FET-ek gate kapacitását tölteni és kisütni, mit amennyivel az IC tudná, ezért gyorsabb
lesz a FET-ek meghajtása (jobb lesz a hatásfok). A másik ok, hogy így a FET meghajtásból eredõ
hõveszteség nem az IC-t fûti, hanem a 4db tranzisztoron oszlik el, azaz alacsonyabb lesz a félvezetõk
hõmérséklete. Ennek fõleg akkor nagy a jelentõsége ha nagy gate töltésû kapcsolófet tipust választunk
(pl. kW-os teljesítményt szeretnénk nagy áramú FET-ekkel), és ezeket viszonylag nagy frekvencián is
szeretnénk meghajtani.
Az IC2 (IR21531) 12V-15V közötti tápfeszültséget igényel, ezt az IC1 (TNY255) áramkör állítja elõ,
szintén az adatlapjától eltérõ kapcsolásban. Az IC1-et eredetileg flyback tápegység céljára tervezték,
de most gyakorlatilag egy kicsi step-down konverternak van használva. Ilyen kapcsolásban kb 24V...700V
(nem tévedés) bemenõ feszültség tartomány esetén képes stabil tápfeszültséget szolgáltatni az IC2 számára,
viszonylag jó hatásfokkal. Ennek az egyik elõnyét már egy frissen összerakott a táp tesztelésekor is
tapasztalhatjuk, ugyanis beüzemeléskor akár egy kicsi labortápról (pl. 30V-ról) is elindul a táp,
(persze arányosan kisebb kimenõ feszültséggel), és tesztelhetjük a mûködését, pl. vizsgálhatjuk
oszcilloszkóppal, mielõtt élesben a hálózatra kapcsolnánk. A kicsi segédtápegységrõl régebben
írtam egy cikket, ami ITT elérhetõ
(új lapon/ablakban nyílik meg).
A hálózati feszültség az olvadó biztosítékon, majd az NTC lökésgátló ellenálláson keresztül
(nagy teljesítményekre lágyindító is kellhet) CX3 zavarszûrõ kondenzátorra jut, majd egy
közös-módusú zavarszûrõ tekercsen át, CX1, CX2 zavarszûrõ kondenzátorra, és a graetz egyenirányítóra.
Az egyenirányító feszültségét C8 puffereli, errõl a "DC sínrõl" üzemel a segéd tápegység (IC1 - TNY255),
és a Q1,Q2 FET-bõl álló félhíd. A félhíd kimenõ árama a trafó primer tekercsén át
a CR-1 és CR-2 rezonáns kondenzátorokba folyik. A rezonáns kondenzátorok feszültségét D4,D5 diódák határolják,
ez az elsõdleges áramkorlát, amelyet a kicsit lassúbb optocsatolós áramkorlát egészít ki.
A CZVS-1 és CZVS-2 kondenzátorok beépítése opcionális, attól függõen, hogy ZVS vagy ZCS üzemmódú
tápegységet akarunk-e készíteni. Amennyiben áramgenerátorként akarjuk használni a tápot akkor
a ZVS mód sokkal jobb hatásfokú, egyéb esetben kisebb a különbség, ill. a felhasználás módjától függ,
hogy mi a célszerûbb. A C11 kondenzátor a 300V-os DC sínt "hidegíti" a kapcsolófrekvencián,
ezzel a nyák-vezetõsávok induktivitása által okozott veszteséget, és a pufferkondenzátor veszteségét csökkenti.
Az áramkorlát mûködése: a rezonáns kondenzátorokon esõ feszültséget/áramot figyeli,
a C10 kondenzátoron keresztül. Mivel C10 kondin közel ugyanakkora feszültség esik mint a rezonáns kondenzátorokon,
ezért a rajta átfolyó áram a kapacitásával arányosan lesz kisebb, méghozzáa frekvenciától függetlenül,
tehát ez egy ez egyfajta áram-osztó. Ez azt jelenti hogy kb. a transzformátor primer áramának 200-ad része
folyik át rajta, vagyis (CR1+CR2)/C10, ez a "leosztott" áram egy feszültség kétszerezõ egyenirányítóba folyik bele,
ami D19,D20,C14 alkatrészekbõl áll. A feszültségkétszerezõ kimenõ árama a C10 áramának a fele, azaz
jelen esetben a primer áram 400-ad része, ami az R11 sönt ellenálláson feszültséget ejt. Ha ez a feszültség eléri
az optocsatoló ledjének a nyitófeszültségét, akkor a frekvencia emelkedni kezd, és a gyakorlatban az áramot
közel állandõ értéken korlátozza. Ez kb 5mA-es áramnál következik be, ami 2A primer áramot jelent. Tehát ez az
áramhatár a C10 ill. R11 megfelelõ méretezésével jól kézben tartható. Az R10,C15 szerepe a szabályozás
sebességének korlátozása ill. egyfajta zavarszûrés. Jelen áramkörbõl esetleg el is hagyható, de az áramkör egy korábbi
változatában a kimenõ áramkörbe iktatott sönt ellenállást használtam az áram figyelésére ill. szabályozására,
és aban a megoldásban az R10,C15 nélkül a szabályzás instabillá vált (asszimmetrikus impulzusok keletkeztek
az IC2 kimenetén). Egyébként ez a módszer is teljesen jól használható volt a LED-áram stabilizálására,
de a fenti, sönt nélküli megoldás is kellõen stabil LEd áramot biztosított.
A trafó szekunder feszültségét schottky diódák egyenirányítják, és alacsony ESR értékû kondenzátorok szûrik.
Ide csatlakozik 2db sorbakapcsolt Y kondenzátor is, ezeket meglehetõsen túlméreteztem feszültségtûrés
szempontjából, mivel kettõs-szigetelés érintésvédelmi módszert alkalmaztam.
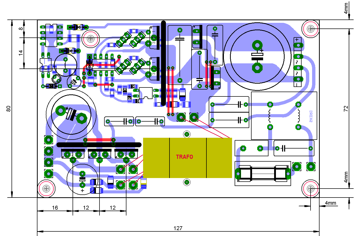
Az áramkör, mint bármely kapcsolóüzemû tápegység, meglehetõsen érzékeny a megfelelõ NYÁK-tervre,
tehát a huzalozás, alkatrész elendezés nagyon nem mindegy. Önmagában az nem elegendõ, a a NYÁK terv a
kapcsolási rajznak megfelel, az elrendezésnek, és az alkatrészek összehuzalozási sorrendjének,
a vezetõsávok elhelyezésének is fontos szerepe van, ha ez nem megfelelõ akkor akár "rejtésesen"
meg is hibásodhat az amúgy jónak tûnõ tápegység. A NYÁK tervet forrásfájlként nem szándékozom közzétenni, de
képként felteszem ide:

A nyákon ugyan nem szerepelnek az alkatrészek poziciószámai (ezt esetleg késõbb módosítom,
de nem ígérek semmit), aki veszi a fáradtságot, az a kapcsolási rajz alapján, némi munkával visszafejtheti.
Ennyi szerintem elvárható, ha már én is közzéteszem ezt az áramkört, figyelembe véve, hogy nekem mennyi munkám
van benne.
A méretezés: a minimum frekvenciát úgy érdemes megválasztani, hogy megegyezzen a trafó szórási induktivitás,
és a rezonáns kondenzátorok által meghatározott frekvenciával. Erre a célra R6 helyére beépíthetõ pl. egy
100k ohmos helitrimmer, de az IR21531 adatlapja alapján fix ellenállás is méretezhetõ. A maximális
frekvenciát az áramkorlát ismeretében, ill. a FET-ek gate töltésébõl eredõ ill. számolható segédtáp áram-fogyasztás
alapján méretezhetjük. A segédtáp max. kb. 80mA-el terhelhetõ, a gate töltésbõl eredõ áram I = Fmax * 2 * Qgt, amihez
hozzájön még az IC saját fogyasztása (10mA alatt). Természetesen R12 helyett is alkalmazható trimmer, amivel az
optocsatolót ideiglenesen rövidre zárva beállítható a maximális frekvencia.
Csak ötletként említem meg, hogy egy további optocsatolóval a kimeneti feszültség is figyelhetõ, pl. ha LLC
(ill. szabályozott feszültségû) tápegységet szeretnénk építeni, ill. egy hamradik optocsatolóval, az IC2 4-es
lábán le is tiltható a mûködés túlfeszültség esetén, ill. egyfajta burst módra is kényszeríthetõ a táp, amit a modernebb
rezonáns táp vezérlõ céláramkörökben alkalmaznak is.
A transzformátor szekunderérõl nem sokat írtam eddig:
ez igény szerint méretezendõ azaz a kimenõ feszültség(ek)/áram(ok) ismeretében, tehát kialakítható
kettõs kimeneti feszültség, ill. több segéd-táp feszültség is. A fenti áramkör esetében a LED számára elõállított
(áram-korlátozott) 100V mellett, egy 10V körüli feszültségre is szükség volt a LED-eket hûtõ ventillátorok számára.
A tápegység többi alkatrészénék funkciójára, méretezésére esetleg kitérek a késõbbiekben, az olallal
kapcsolatos visszajelzések, kérdések függvényében, ill. a hobbielektronika fórumon is megfordulok idõnként, ahol
esetlegesen hamarabb is kerülhetnek fel a felmerülõ kérdésekre válaszok.
Skori@2018.03.
