Kezdõ elektró
Néhányan kérték, hogy tegyek fel kezdõknek szóló leírásokat, alap alkatrészekrõl, mûködésükrõl,
egyszerü áramkörökrõl. Tehát ez lesz a kezdõknek szóló oldal. Ennek a nagyon szerteágazó szakterületnek, szakmának, hobbinak csak
egy apró szeletét lehet egy ilyen oldal keretein belül bemutatni, ezért fõleg egyszerü és a gyakorlaban is haszálható áramkörök
segítségével próbálom meg a "miért"-ek és "hogyan"-ok megválaszolását.
A legelsõ áramkör álljon egy elembõl és egy ellenállásból. Ennél egyszerübbel kezdeni már aligha lehetne, de ahoz, hogy
továbbléphessünk errõl is érdemes kicsit beszélni.

A rajz baloldalán a telep, a jobb oldalán az ellenállás rajzjele látszik. Az telep mellett az Ut és a 6V felirat látszik. Ez annyit jelent, hogy a
tápfeszültség 6volt (U a feszültség jele). Az ellenállás mellett R1 és 10 szerepel. Az R1 azt jelenti, hogy ez az 1-es sorszámú
ellenállás, (R az ellenállás jele). Az áramkörökben ilyen poziciószámokkal szokás jelölni az alkatrészeket, hogy késõbb a
dokumentációkban vagy pl. cserénél, javításnál könnyû legyen hivatkozni rá. Ha a mértékegység nincs kiírva akkor a 10 annyit
jelent, hogy az ellenállás 10 ohmos. Ha mondjuk 22k lenne odaírva akkor az 22 kiloohmos (22000ohm) ellenállást jelentene. Mellé szokták még írni az
ellenállás teljesítményét is, azt a maximális Watt értéket amit az ellenállás károsodás nélkül képes elviselni. Sok
áramkörön ez nem szerepel, oda általában kis méretü, kis teljesítményü ellenállás is beépíthetõ. 0,5W és ennél
nagyobb teljesítmény esetén már illik az ellenállás teljesítményét is megadni.
Ha egy vezetõ anyagra feszültséget kapcsolunk akkor azon áram fog folyni. Az hogy ez az áram mekkora az függ a rákapcsolt feszültségtõl, és az
anyag ellenállásától. Nagyobb a feszültség hatására nagyobb áram folyik, illetve azonos feszültsaég hatására, a nagyobb
ellenállású anyagon kisebb áram fog folyni. Jelen esetben a feszülstég 6V, az ellenállás pedig 10 ohm. Az átfolyó áram a kettõ
hányadosa I=U/R=6V/10ohm=0,6A. A teljesítmény a feszültség és az áram szorzata P=U*I=6V*0,6A=3,6W Tehát ebben az áramkörben az ellenállás
3,6W-ot fog hõvé alakítani (jó forró lesz). Illett volna a kapcsolásra ráirni, hogy 4W-os ellenállás kell bele, mert pl. egy kisebb
teljesítményû ellenállás szépen leégne! Ez az áramkör nem jó sok mindenre, maximum fütésre, de ha sikerült megérteni a
leirtakat, akkor továbbléphetünk egy másik áramkörre.
Nézzünk egy konkrét feladatot: Pl. szeretnénk egy piros led-et mûködésre bírni. Elsõ körben arra gondolnánk, hogy ez egyszerü, kapcsoljuk
rá egy elemre és kész! Nézzük, hogy ez miért nem jó :)

A LED egy félvezetõ eszköz, azthiszem mindenki tudja, hogy elektromos áram hatására fényt bocsát ki, de most néhány egyéb
tulajdonságát is meg kellene ismerni. A rajzjelében szereplõ háromszög (mint egy nyil) mutatja az áram átfolyásának az irányát, ha a
feszültséget fordítva kapcsoljuk rá akkor egyáltalán nem folyik áram, illetve egy bizonyos feszültségérték (10...100V) felett az áram
hirtelen megindul és a LED tönkremegy. A rajzon erre ügyelve a led anódjára kapcsoltam az elem pozitív pólusát, a led katódjára pedig a
negatívot. A sima vezetõ anyagoktól eltérõen a LED-en (és a többi félvezetõn) átfolyó áram nem egyenesen arányos a rákapcsolt
feszültséggel. Ha találomra kísérletezni kezdünk egy piros leddel akkor ezt tapasztaljuk: kb. 1.4V esetén alig mérhetõ áram folyik, 1.5V-ról
1mA körüli áram folyik, 1.55V esetén 10mA, 1.6V-ról 100mA. Tehát a feszültség egész kicsi változása is nagyon nagy
áramváltozást (és ezzel együtt teljesítményváltozást) okoz. Ráadásul ezek a feszülségértékek erõsen függenek a
hõmérséklettõl is ami tovább bonyolítja a helyzetet. Ezért a gyártók nem az üzemi feszültségét adják meg a ledeknek hanem azt,
hogy mekkora árammal lehet üzemeltetni (pl. max. 20mA). Ha a LEDre egy elemet kapcsolunk pl. 3V-ot akkor az elõbbiek alapján akkora áram fog megindulni hogy a LED
elõbb-utóbb tönkremegy, ha pedig egy ceruzaelemet (1,5V) akkor lehet hogy alig fog pislákolni a fénye, mert csak 1mA áram folyik. Mi lenne a megoldás?
Nézzük a következõ áramkört:

Ez az áramkör akkor lenne jó, ha mondjuk a LED-en 20mA-nál kevesebb áram folyna, de nem annyira kevés hogy ne világítson jól. Nézzük: ha a led
helyére egy rövidzárlatot képzelünk akkor a 300 ohmos ellenállásra 6V kerülne. Egy gyors számítás: I=6V/300ohm=0,02A vagyis 20mA! Tehát
semmiképpen sem folyhat 20mA-nél nagybb áram, de mennyi folyik ténylegesen? Ha feltételezzük, hogy a led kb. 1,55V feszültséggel szeret mûködni,
akkor az ellenálláson a tápfeszültségnél ennyivel kevesebb marad, vagyis az ellenálláson esõ feszültség Ur=6V-1,55V=4,45V az átfolyó
áram I=Ur/R=4,45V/300ohm=0,0148A vagyis kb 14mA-es áram fog folyni, ami kb. jó is. Elõfordulhat, hogy a LED a gyártási szórás miatt néhány tizted
voltal alacsonyabb v. magasabb nyitófeszültségü, vagy az elem feszültsége változik meg pár tized volttal. Ha az ellenállás nem lenne az
áramkörven akkor egy ilyen változás az elõzõ példa alapján mûködésképtelenné tenné az áramkörünket.
Nézzük mi lenne ha ebben az áramkörben, a telep feszültsége valamiért 7V-ra növekedne? Az ellenálláson esõ feszülség:
Ur=7V-1,55V=5,55V az áram I=5,55V/300ohm=0,0185A. Az áram megnõtt, de nem végzetesen, csak 18,5mA-re. Picit erõsebb lesz a led fénye de amúgy semmi gond. Ha eddig
sikerült venni az adást :) akkor most dereng, hogy miért is kell a LED múködtetéséhez elõtétellenállás. Na oké ez az áramkör
elvileg mûködne, de hogyan számoljuk ki, hogy pl. mekkora ellenállást kapcsoljunk 12V esetén egy fehér ledhez? Jó lenne valami általánosan
használható méretezés!
Vágjunk bele. Elõször is mit kell tudnunk a méretezéshez? Mekkora árammal szeretnénk a ledet üzemeltetni? Legyen mondjuk az adatlapja alapján az adott
tipus maximális árama 20mA, de biztonsági megfontolásból (élettatram) hajtsuk csak 15mA-el. Szintén az adatlap alapján (de amúgy sem árt tudni),
egy fehér leden normál üzemi áram esetén kb. 3,3...3,7V feszültség esik. Számoljuk 3,5V-al így nem hibázhatunk nagyot :)
Tehát: Ut=12V Uled=3,5V I=0,015A Az ellenálláson esõ feszültség Ur=Ut-Uled=12V-3,5V=8,5V Ha tudjuk az ellenálláson a feszültséget és az
átfolyó áramot akkor már ki is számolhatjuk az ellenállást (ohm törvény) R=Ur/I=8,5V/0,015A=566ohm, kis kerekítéssel a kereskedelemben
kapható 560ohmos ellenállás jó is lesz. De mekkora teljesítményû kell? Számoljuk ki! P=Ur*I=8,5V*0,015A=0,127W. Az1/8-ad wattos ellenállás már
nem bírná, tehát minimum 1/4-ed wattosat, (0,25W vagy nagyobb teljesítményût) kell venni. Ha sikerült követni a gondolatmenet akkor bármilyen
feszültséghez és ledhez ki tudjuk számolni a szükséges elõtét ellenállást! Na jó, megvolt a bemelegítés kapcsoljuk kettesbe :)

Úgylátszik ledmánia van :), de hát mégis mekkora legyen az ellenállás a 3db fehér ledhez? Na akkor röviden: minden leden essen mondjuk 3.5V, akkor az
ellenálláson marad 12V-3.5V-3.5V-3.5V, ezt persze sok lednél már nem fogjuk így levonogatni :) mert tudunk szorozni is, legalábbis e sorok olvasójáról
feltételezem, nekem meg van zsebszámológépem :) tehát komolyra fordítva a szót:
Ur=Ut-3*Uled=12V-(3*3.5V)=1,5V R=Ur/I=1,5V/0,015A=100ohm
Ez nem is volt olyan vészes, itt azért egy apró gond bejöhet: az ellenálláson esõ feszültség elég kicsi a ledeken esõ feszültséghez
képest, ezért a tápfeszültség változására, és hõmérsékletingadozásra jelentõsebben megváltozhat az áram. Ilynekor
célszerû vagy nagyobb feszülséget (és nagyobb ellenállást) használni, vagy a ledeket párhuzamosan kapcsolni, hogy az
elõtétellenálláson esõ feszültség arányaiban nagyobb lehessen. Persze a ledeken átfolyó áram beállítására más
(jobb/precizebb) megoldások is léteznek, de abba most még nem érdemes belemenni, illetve a legtöbb alkalmazásban elegendõ az ellenállás
használata.
Azért a párhuzamos kapcsolást még érdemes megnézni. Nem árt tudni, hogy csak tök egyforma ledeket érdemes párhuzamosan kapcsolni, mert ha
különbözõ nyitófeszültségü ledeket kapcsolunk párhuzamosan akkor szinte az összes áram az alacsonyabb nyitófeszültségü
leden fog árfolyni, mig a másik nem fog világítani. (a sorbakacsolt ledek viszont lehetnek különbözõek is)

Ha igy kötjük be a ledeket akkor az ellenálláson folyó áram harmada jut egy-egy ledre. Tehát most 15mA helyett 45mA-el kell számolni. Ugyanakkor mindegyik
leden ugyanaz a 3,5V feszültség esik. Tehát az ellenálláson esõ feszültség most: Ur=Ut-Uled=12V-3,5V=8,5V Az ellenállás: R=Ur/I=8,5V/0,045A=188ohm,
nyugodtan kerekíthetjük 180-ra. Az ellenállás teljesítménye: P=Ur*I=8,5V*0,045A=0,382W tehát legalább 0,5W-os ellenállást lenne érdemes
venni.
Ha ezt is sikerült betõlteni a program-memóriába és lefagyás nélkül futott a program :) akkor íme egy ok a "kékhalál"-ra, huh ezt nem kell
ám komolyan venni, most jut eszembe hogy olyanok is olvashatják ezt akik m ég nem láttak "kékhalál"-t. Szóval egy érdekeség: A piacon kapható ledes
elemlámpák zömében egyszerüen rákapcsolják a ledeket az elemekre, mindenféle ellenállás nélkül, és mégsem mennek tönkre.
Hogy lehet ez? Hát úgy hogy több led van párhuzamosan kapcsolva és a gagyi kinai elemek nem tudnak akkora áramot adni, hogy a ledek elszálljanak miatta. Jó
minõségû (alkáli), nagy áram leadására képes elemekkel rendesen meg lehet rövidíteni ezeknek a lámpáknak az élettartamát (de
addig elég jó fényük van :)). Bizonyos áramkörökben megfelelõ számú led és hosszú vezetékek esetén akár a vezetékek
ellenállása is elég lehet a ledek üzemeltetéséhez.
Úgy gondolom a ledek mûködtetésérõl kezdõ szinten ennyi bõven elég, remélem nagy baki nincs a leírásban.
Ha az áramkört késõbb tovább bõvítem valamivel, akkor annak csak az új részére fogok kitérni.

Használjunk a fenti áramkörben különbözõ szinü ledeket. Alaphelyzetben a fehér led szépen világít - remélhetõleg mindenki sejti
miért :) A kapcsoló bekapcsolásakor a piros leden is megindul az áram, és közben a kivezetésein beáll a rá jellemzõ 1,5...1,7V közötti
nyitófeszültség. Mivel a fehér led nyitó/üzemi feszültsége ennél jóval nagyobb lenne, ekkora feszültségrõl ezen gyakorlatilag nem
fog (számottevõ) áram folyni. Tehát a kapcsoló bekapcsolásakor a fehér led kialszik, a piros pedig vilávítani kezd.
Eljött az ideje, hogy írjak ide némi folytatást. Ha már eddig ledekrõl volt szó, akkor folytassuk hasonlóan, de mondjuk úgy, hogy valamilyen újabb
alkatrészt is beveszünk a játékba :) Gondolkoztam, hogy ez mi legyen, mondjuk ismerjük meg a kondenzátort, vagy inkább valamilyen félvezetõ
eszközt? Végül úgy döntöttem, hogy építsünk be az áramkörbe egy (vagy több) tranzisztort is. Lássuk:

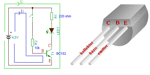
Ránézésre jóval bonyolultabb a korábbi áramköröknél - de tényleg csak ránázésre, valójában nem vészes a dolog. A
tranzisztornak 3 kivezetése van, ezek elnevezése Bázis, Kollektor és Emitter, a rajzjelén az emitter kivezetésen van egy kis nyil, ez mutathat
kifelé vagy befelé atól függõen, hogy a tranzisztor PNP vagy NPN félvezetõ rétegekbõl áll. A gyakorlatban azt mondhatjuk, hogy ez a kis nyil az
áram irányát mutatja, és vannak olyan tranzisztorok is amiket a rajzon levõhöz képest fordított áramiránnyal (ill.fordított
polaritású feszültséggel) lehet használni. Nézzük mit csinál ez az áramkör! Alaphelyzetben a led nem világít, ugyanis a tranzisztor
kollektora alaphelyzetben nem vezet sem az emitter (sem a bázis irányába). Azonban ha a kapcsolót bekapcsoljuk akkor a rajzon I1-el jelölt áram megindul az
áramkörben. Tehát a telep pozitív sarkától indulva, a kapcsolón, az ellenálláson, majd a tranzisztor bázisán keresztül, annak ez emittere
felé folyik, vissza egészen az áramforrás negatív sarkáig. A tranzisztornak az a tulajdonsága, hogy a bázis kivezetésén folyó áram
hatására, a kollektor és az emitter között vezetõvé válik - vagyis ebben az áramkörben a kollektor felõl az emitter felé is megindulhat
az áram, amit I2-vel jeleztem a rajzon. Vagyis a kapcsoló beklapcsolásakor a led világítani fog , kikapcsoláskor pedig kialszik. Látszólag ennek nem sok
értelme van a korábbiakhoz képest - de megint csak látszólag. Ugyanis ahoz, hogy a tranzisztor kollektorán egy led üzemeléséhez szükséges
(10...20mA körüli) áram át tudjon folyni, a tranzisztor bázis kivezetésén sokkal kisebb vezérlõ áram szükséges (1mA-nál is
kevesebb). Vagyis azt mondjuk, hogy tranzisztor erõsít! Mire jó ez nekünk? Mire lehet ezt használni? Például: ha a kapcsoló helyén csak két csupasz
vezeték van, és azt nedves kézzel megérintjuk (ami a telep alacsony feszültsége miatt teljesen veszélytelen), akkor a kezünkön átfolyó
(egyébként nagyon kicsi) áram hatására is világítani kezd a led! Tehát ez egy primitív érintés érzékeélõ áramkör
is lehetne. Ha mondjuk egy szobanövény földjébe szúrjuk a két vezetéket, akkor nedves föld esetén a led világítani fog (a víz
vezetõképessége miatt), kiszáradt föld esetén pedig a led sötét marad!
Nézzük a többi alkatrészt: R1 a led üzemeltetéséhez szükséges, a maximális áramerõsséget korlátozza a led számára
még biztonságos határ alá. Errõl már volt szó. R2 funkciója hasonló, ugyanis a tranzisztor bázisa sem visel el bármekkora áramot,
túl nagy áram hatására tönkremehet. Ebben az áramkörben azonban úgy választottam meg a bázisellenállás értékét, hogy nem
csak a biztonságos határnál alacsonyabb a bázis maximális árama, hanem csak akkora áram folyik ami a mûködéshez még biztosan elegendõ.
Azt, hogy egy adott tipusu tranzisztor mekkora áramot visel el (pl. a bázis vagy kollektor kivezetésén) megtalálhatjuk a gyártója által adott adatlapon. Ez
általában a legtöbb tipushoz, az internetrõl letölthetõ, PDF formátumban.
Variáljuk át egy kicsit a fenti áramkört!

Ha a korábbiak érthetõk voltak, akkor könnyû belátni, hogy itt alaphelyzetben a led világítani fog. Ugyanis R2 ellenálláson át T1
bázisáramot kap, és ettõl kinyit (vezetõvé válik kollektor-emitter között is), tehát a leden is megindulhat az áram. Ha a kapcsolót is
bekapcsoljuk akkor az R2 ellenállás árama közvetlenül eljut az elem negatív sarkához - és nem a T1 bázisába fog befolyni. Tehát a
kapcsoló bekapcsolásakor a led fénye kialszik!
folyt.köv.