SKORI WEBLAPJA
QUAD 405

QUAD405 elölap foto
A QUAD 405 erõsitõ egy elég régi konstrukció, ennek ellenére kiváló hangminõsége és mûszaki paraméterei alapján a mai készülékek között is megállja a helyét. További elõnye, hogy házilag is könnyen elkészíthetõ, viszonylag olcsó alkatrészek felhasználásával (az elsõt még 1987-ben készítettem). Az eredeti kapcsolást jogi és mûszaki okok miatt sem szokták közölni. A régi áramkör egyes elavult részei korszerûbb eszközökkel kiválthatók. Tehát az alábbi kapcsolási rajz nem az eredeti, hanem az általam megépített erõsítõt ábrázolja (ami 1997-óta kifogástalanul mûködik).
Ha lesz egy kis idõm, és érdekel is valakit akkor közzéteszem a nyákterveket is. Addig is remélem, értékelitek, hogy összedobtam ezt a rajzot.


Néhányan kértétek úgyhogy megpróbálom leírni a hangalvédõ/koppanásgátló mûködését (lehet, hogy nem lesz a leírásom teljesen korrekt, de nincs kedvem nagyon sokat írni):
A relé meghúzásának a feltétele, hogy a BD242C tranyó kinyisson. A bekapcsolás pillanatában kialakul egy áramkör (mínusztól a plusz felé leírva): relé tekercs - 20uF - 47K - BC212 bázis. Az itt folyó áram kinyitja a BC tranyót, de ez a relé meghúzásához kevés. A nyitott BC212 viszont megakadályozza a BD242C kinyitását. A BD tranyó nyitása akkor következik be ha a tápfesz nagyobb mint a zener feszültsége (tehát a táp szürõelkói feltöltõdtek már) és a 20mikrós kondi feltöltõdött annyira, hogy a BC212 bázisárama lecsökkenjen és lezárjon a tranyó. (ahogy a kondi töltõdik, úgy csökken a töltõárama) Ekkor kaphat bázisáramot a BD242C (kb. 5 másodperc telik el addig). Amikor a BD kinyitott akkor a kondi viszonylag gyorsan kisül (1N4001 - 2.2K - BD242C c-e) Kikapcsoláskor a tápban levõ szürõkondik feszültsége csökkeni kezd. Ha a tápfesz 75V alá esik akkor megszûnik a BD bázisárama (a zener miatt) és a relé lekapcsolja a hangfalakat mielõtt az erösitõ stabil mûködése megszûnik. (Az 5,6K ill. 6,8K a tranyók határozott lezárását segítik. A zenerrel soros 20K a BD242C max. bázisáramát korlátozza. A relével párhuzamos dióda a tranyót védi az induktív feszültségimpulzustól)
Az áramkör további 6 tranzisztora a végokok kimenetén levõ egyenfeszt figyeli (ennek megjelenése a végfok hibájára vagy ki/bekapcsolási tranziensre utalhat). A 22K-2,2uF-27K-2.2uF alkatrészek aluláteresztõ szûrõt alkotnak, nagyjából azért kell, hogy a 20Hz-nél magasabb frekvenciájú jelek ne hozzák mûködésbe a védelmet. Ha végfok kimenetén, a földhöz képest pozitív egyenfesz van akkor a BC182 nyit ki, negatív fesz esetén a B-C elektródáján öszzekapcsolt BC182/212 páros. Tehát ha a végfok kimenetén bármilyen polaritású 0,6V-nál nagyobb egyenfesz jelenik meg akkor a 47K-n keresztül bázisáramot kap a felsõ BC212, ez pedig a BD tranyó lezárásához vezet és a relé (elenged) leválasztja a hangfalakat. Mivel a BD lezárt, a felsõ BC212 a 20uF-on keresztül további bázisáramot kap amíg a kondi feltöltödik. A relé csak akkor tud újra meghúzni ha a kimeneten az egyenfesz megszûnt, és a 20uF újra feltöltõdött (leghamarabb kb. 5s múlva), miután a relé meghúzott a kondi újra kisül (2.2K - 1N4001 - BD).
A gyakorlatban tehát a relé a bekapcs után akkor húzhat be, ha a végfokok kimenetén nincs egyenfesz, a táp > 75V (-+ 37,5V) és legalább 5s eltelt. Ha bármelyik feltétel nem teljesül akkor a relé nem húz be (ill. ha már korábban be volt húzva akkor elenged, és csak akkor kapcsol vissza ha a feltételek újra teljesülnek).
Figyelem: az áramkörben a földelések és a -50V (+50V) nem azonos pont!!! Az áramkör ugyanarról a kettös tápfeszröl üzemel mint a végfok.
Azért ha túl nagy hülyeséget írtam valahová akkor szóljatok!

Nekiálltam az EWB-vel rajzolgatni, íme az eredmény, remélem nem rontottam el sehol.
Az ábrán egy viszonylag egyszerû (olcsó) és jó hangminõségû (kis zajú és kis torzítású) elõerõsítõ kapcsolási rajza látható, ami jól használható, pl. a QUAD405 erõsítõhöz. Sajnos a nyáktervét nem találom, úgyhogy aki meg akarja építeni kénytelen lesz maga megtervezni (hacsak közben nem küld valaki egy jó nyáktervet, amit itt közzéteszek).
A megépítés:
A panelterven elsõ legyen a potik elhelyezése (fizikailag illeszkedjen majd a dobozba). Mindenképpen érdemes a nyákbaültethetõ potikat használni (és ezzel elkerülni a felesleges kábelezést). Mindegyik poti mûanyagtengelyes kivitel legyen. Ha a potik fémházas kivitelûek, akkor azt földelni kell.
A C1 és C2-vel jelölt kondik határozzák meg hogy a magas vágás/kiemelés kb. milyen frekvencián kezdõdjön, lehetséges, hogy más-más hangszórókkal és más értékekkel tetszik jobban, lehet kísérletezni!
A C3-al jelölt kondik csak az IC-k esetleges offszetfeszültsége miatt kellenek, én tantálkondikat használok itt. Szerintem nem befolyásolják a hangot, de akit zavar a jel útjában egy elko, az nyugodtan kihagyhatja az áramkörbõl. Azért az megjegyezném, hogy ha a potikon egyenáram folyik, akkor sercegés hallatszik a hangban, amikor forgatjuk.
A C4-el jelölt kondi ne legyen elko.
A C5-el jelölt kondik lehetõleg tantálkondik legyenek, vagy egy elko és egy 100nF-os kondi párhuzamosan kapcsolva. (a rajzon nem szerepel, de érdemes a tápfeszültségre további 100nF-os kondikat kapcsolni, közvetlenül az IC-k lábánál)
A hangerõ szabályzó poti logaritmikus sztereó kivitel, 5 vagy 10 kiloohmos lehet.
A hangszínt szabályzó potik 100 kiloohmos lineáris sztereo potik. 50k-s potik használata esetén a soros ellenállásokat érdemes 5k-ra csökkenteni, C1 és C2-t duplájára növelni.
Sokaknak problémát okoz a megfelelõ kábelezés, vagy egyszerûen csak nem tudják mit lehet abban elrontani, vagy mire kell figyelni. Nekik szol a következõ pár sor, a teljesség igénye nélkül, néhány dolog, amit többnyire egy korábban írt mailból ollózok össze.
A megfelelõ kábelezés többek között arról szól, hogy az erõsítõn belüli földelendõ pontokat, nem tetszés szerint kötjük össze. Minden pont csak egy irányból lehet földelve, ha több irányból van akkor un. "földhurok" keletkezik ami az erõsítõre nézve káros hatású (zavarérzékeny lesz). 2 általános stratégia van, az ún. csillagpontos, és a sorosan felfûzött földelési megoldás. Én általában a kettõ kombinációját használom. Tehát pl. kifejezetten tilos úgy földelni mint egy autóban (a testhez kötni). A készülék háza is csak egyetlen ponton lehet földelve (általában a bemenet környékén érdemes). Nálam ez is egy kondin keresztül van (tehát DC szempontból a ház szigetelt) Persze ha védõföldes a hálózati kábel akkor ezt is hozzá kell kapcsolni a házhoz. A másik dolog a táp kábelezése. Ha közös a táp akkor hasonlóan nem szabad "hurkot" csinálni. az összetartozó kábeleket azonos nyomvonalon kell vezetni. Célszerû minden panelnak külön tápot adni, de a végfokoknál ez nem mindig megoldható. A többi panelnak meg általában elég ha külön - külön táp IC-je van tantálkondikkal hidegítve, ezen nem szabad spórolni. Az együtt futó összetartozó kábeleket össze lehet sodorni ez csökkenti a kábel zavarsugárzását és a zavarérzékenységét. Nyugodtan lehet árnyékolt kábeleket használni de a megfelelõ földelésre ugyanúgy figyelni kell. Ha jó a kábelezés akkor az erõsítõ kivezérlés nélkül csendben szokott lenni. Ha a hangszóróból hallatszik az 50 vagy 100Hz -es brumm akkor annak is lehet a kábelezés az oka. (kezdõknél tipikus az össze vissza földelgetés, régen én is eljátszottam :-)) További kábelezési hibákkal egész jól gerjedõ erõsítõt is lehet csinálni :-) A másik dolog a megfelelõ keresztmetszetû kábel, ahol nagy áram folyik oda vastag vezeték kell. Az egyenirányító és a kondik közötti szakaszon a töltõáram, impulzosok formájában megy a kondi felé ( C osztályú egyenirányítás) hacsak nincsenek nagyméretû fojtótekercsek is az egyenirányító után kapcsolva. Ezért az egyenfeszt közvetlenül a kondi lábáról kell elvinni, a kondi és az egyenirányító közötti kábelen nem lehet elágazás. Ha messze van a kondi az egyenirányítótól akkor duplán kell kábelezni (ld. a honlapomon a fotókon ill. az alábbi képen). Más: sok végfoknak az elõnyei között említeném a nyákba ültetett végtranyókat mert akkor ezek nincsenek "kábelezve". Érdemes megcsinálni a quadhoz is azt a szögalu idomot és a nyákba tenni a tranyókat, jobb úgy. Ugyanez igaz az elõfokban a potikra is: 3 sztereo poti: 18 vezeték ez elég durva, semmi jó nem sül ki belõle. Ezeket is érdemes nyákba ültetni. Sok gyár azért használ teljes nyákot az erõsítõiben, hogy ne legyen kábelezés. Azt egyszer megtervezik jól, aztán a tajvaniak - akik összerakják - már nem tudják annyira elcseszni......
Ezek után jöjjön egy lehetséges kábelezés rajza, egy erõsítõrõl.

Minden egyéb jöhet mailben.
Ismét hangszóróvédelem:
Sokaknak nehézséget okoz a 110V-os SCRACK relé beszerzése, más tipusú relék pedig esetleg nagyobb áramot igénylenekl a meghúzáshoz. Felmerült rá az igény hogy az áramkör univerzálisabb legyen, ezért az eredeti kapcsolást módosítottam!

A fö változás, hogy a relé behúzótekercsének alsó kivezetése nem a -50V-os pontra, hanem GND-re csatlakozik, így nem kerül rá kb. 100V hanem csak az 50V-os tápfeszültségnél valamivel kevesebb. Így szabványos 48V-os behúzótekercsü relé minden további nélkül használható lesz. Ennél kisebb feszültségü relé használatához elötétellenállást kell beépíteni.
Méretezése: Re = Rr * (Ut/Ur - 1) , ahol Re az elötétellenállás értéke, Rr a relé behúzótekercsének ellenállása, Ut a tápfeszültség (50V), Ur a relé behúzótekercsének névleges feszültsége.
Az ellenálláson hövé alakuló teljesítmény P = (Ut-Ur) * (Ur/Rr), az elötét ellenállás ennél nagyobb teljesítményü kell hogy legyen.

Változott az idözítö kondenzátor szükséges értéke, a relét meghajtó PNP tranzisztort, egy P csatornás FET helyettesíti - mivel ez lényegesen nagyobb áramot kapcsolhat nagyon kis veszteséggel, a FET alkalmazása miatt egy további zener dióda ill. egy kondenzátor került az áramkörbe, ill. 2db ellenálás értéket is meg kellett változtatni.
Az új, módosított hangfalvédö-koppanásgátló áramkör kapcsolási rajza lejjebb látható.

A Rádiótechnika CIKK, és egy NYÁKTERV letölthetö itt: CIKK.ZIP ~1Mb
Beraktam a scannerbe egy QUAD nyákot
a letöltéshez click a képre (jpg 300dpi):
Tápegység kapcsolási rajza Click
Készítettem pár fényképet az erösítöröl (click a képre)
ssse átrajzolta a fenti quad nyákot EAGLEbe, és elküldte emailben, én pedig elérhetövé teszem itt: quadny2.rar
Azok kedvéért akik nem akarják az EAGLE-t feltenni itt van 2 kép, hogy miröl is van szó: kepek1.rar
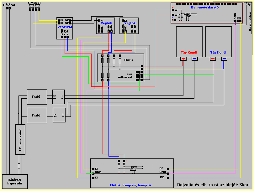
Lerajzoltam az általam készített relés bemenetkiválasztó és vezérlésének kapcsolási rajzát. Bemenetválasztó
Led soros kivezérlésjelzö kapcsolási rajza, A277D IC-vel. A277D.GIF
Adam küldött egy nyáktervet és beültetési rajzot a kivezérlésjelzöhöz.
a helyes méretü nyomtatást az IC lábtávolságával lehet ellenörizni. (ld. a beültetési rajzot)
nyák.
beült.
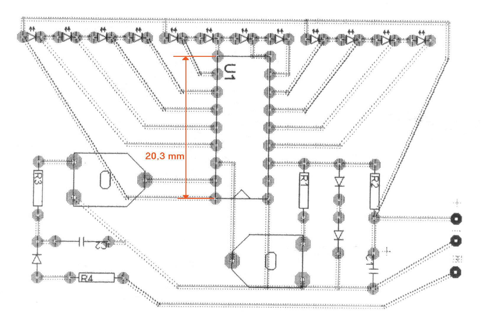
Nyákterv és beültetés a hangfalvédöhöz. Szintén Adam küldte emailban. (a méret elvileg 300dpi) nyák.
beült.
Nyákterv a hangfalvédö áramkör fetes változatához, KMarci jóvoltából. Képként és eagle formátunban:sch,brd hangfalvedo.zip
Felkerült egy nyákterv a hangszín-hangerõ szabályzóhoz Tomi jóvoltából. PreAmp01.zip
T.Laci küldött egy csomagot kapcsolási rajzokkal és nyáktervvel(nem ellenõriztem). Itt letölthetõ. TL_quad405.rar
. .
.
. .